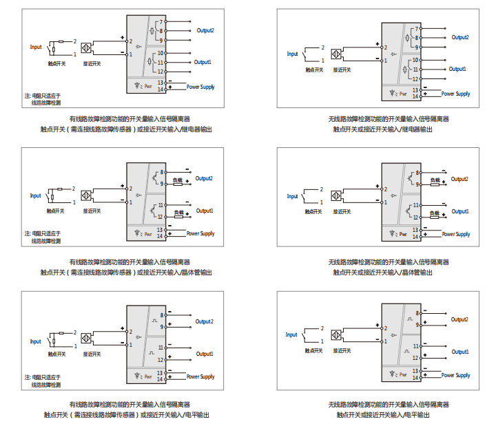
開關量輸入信號隔離器
適用于接近開關(符合DIN19234標準的NAMUR接近開關)或觸點開關。通過隔離,以繼電器觸點(或晶體管、電平信號)輸出方式傳送至控制系統或其它儀表。可選擇有線路故障檢測功能的開關量輸入信號隔離器和沒有線路故障檢測功能的開關量輸入信號隔離器。有輸入線路故障檢測功能的開關量輸入信號隔離器,當檢測到有線路故障時,儀表面板上的線路故障LED指示燈亮紅色。(說明:當用到線路檢測功能時,如果需要使用機械觸點開關作為輸入設備,必須在輸入回路中連接線路故障傳感器,以避免開關量輸入信號隔離器將機械觸點開關正常的通斷誤當做輸入回路的斷路或短路故障。)當選擇沒有線路故障檢測功能的開關量輸入信號隔離器,儀表面板上沒有線路故障指示燈。

● 供電電源
供電電壓范圍:20~30VDC
額定供電電壓:24V DC
電流消耗(24VDC供電,繼電器輸出):<25 mA
● 輸入
觸點開關或符合DIN 19234的NAMUR接近開關。
開路電壓:8V±0.5V
開關閾值:1.2~2.1mA
回滯:0.2mA (典型值)
線路故障時,斷路電流:< 0.1mA; 短路電流:> 4mA
● 輸出
輸出類型: ① 繼電器觸點;② 晶體管;③電平信號
(訂貨時請選擇輸出類型)
① 繼電器觸點
觸點特性:24VDC,2A;
負載類型:電阻性負載
響應時間:≤10ms
② 晶體管
外部供電電壓:≤40V
驅動輸出電流:≤40mA
晶體管集電極輸出 高電平: VCC;低電平:≤2.5V
晶體管發射極輸出 高電平: VCC-2.5V;低電平:≤ 0.5V
③電平信號
高電平:4.5V ~ 5.5V
低電平:≤0.5V
高電平驅動能力:≤20mA
● 輸入 / 輸出特性說明 (同相控制)
儀表出廠的設定狀態為輸入與輸出同相,即輸入開關吸合,輸出繼
電器也吸合(如果是晶體管輸出,則晶體管導通;如果是電平信號
輸出,則輸出為高電平信號)。儀表面板上的輸出狀態指示燈亮。
● 線路故障檢測
本儀表出廠設定為:當檢測到輸入線路故障時,儀表面板上的故障
檢測指示燈亮,輸出繼電器觸點為松開狀態 ( 如果是晶體管輸出,
則晶體管不導通;如果是電平信號輸出,則輸出為低電平信號)。
● 儀表指示燈
POWER
LED 為輸入線路故障指示燈(燈亮為線路故障發生時)
OUT為輸出狀態指示燈(燈亮為繼電器觸點吸合時)
為電源指示燈(燈亮為儀表通電)
(注: 如果選擇是沒有故障檢測功能的儀表,則沒有LED指示燈。)
● 綜合通用參數
隔離能力:輸入-輸出-電源之間 1.5KV,1min ,50Hz
絕緣電阻:輸入-輸出-電源之間 ≥100MΩ / 500VDC
工作環境溫度:-20℃~+60℃
儲存環境溫度:-40℃~+80℃
環境濕度范圍:5~95%RH (無冷凝)
外殼材料:
防護等級:IP 20
外形尺寸:16×116×110(mm)
適用于連接的現場設備:
開關或符合DIN19234的NAMUR接近開關。



