KJT-XW10K耐高溫行程限位開關350℃
- 工作環境溫度:-25~350℃
- 防護等級:IP66/IP67標準
- 觸點數量:1組常開,1組常閉
- 觸點容量:5A/220V?
- 產品優點:耐高溫、耐油、防水和防壓
- 應用領域:工業機械、電力、化工、造紙、鋼鐵等行業
“凱基特”牌耐高溫行程開關內部采用耐高溫材料澆鑄成的全封閉觸點開關,一組常開一組常閉最大允許電流5A/AC 220V(其他電壓接受預定),觸點經過特殊處理后可在高溫環境下長時間使用而不被氧化或污染而導致損壞。
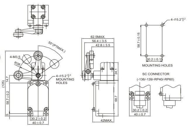
KJT-XW系列耐高溫行程開關最高溫度為350℃,其中可分為滾子臂型、可調桿型、壓柱塞及滾輪壓柱型等十多種規格,可滿足不同場合使用要求。廣泛使用于電力、化工、石油、紡織、鋼鐵等行業。

特性 Characteristics | |
操作速度 | 1mm至2m/S(AWLCA2型) , 1mm to 2m/S |
動作頻率 | 機械:120次/分 電氣:30次/分 , Mechanically:120 times/minute Electically:30 times/Minute |
接點電阻 | 15MΩ以下(初期) Under 15mΩ(initial) |
絕緣電阻 | 100MΩ以上(500VDC) 100mΩ above (at 500VDC) |
耐電壓 | 非連續端子間1,000VAC,50/60Hz持續1分鐘 |
振動 | 誤動作耐久:10至55Hz,1.5mm雙振幅 , Action:10 to 55Hz,1.5mm pairs swing |
沖擊 | 機械耐久:1,000m/Sec2(約100G,S) |
周圍溫度 | 使用時:-25 至 +350℃ |
濕度 | 最大95%RH , Max 95% RH |
使用壽命 | 機械:15,000,000次以上(在額定OT值下) 電氣:500,000次以上 |
重量 | 約275g(AWLCA2-2) , About 275g |
防護等級 | IEC 規格:IP66/IP67 , IEC specification:IP66/IP67 |
注:
1. 電感性負載之功率因素在 0.4 以上( AC ),時間常數在 7msec 以下( DC )。
2. 燈泡負載之突入電流為穩定狀態電流之 10 倍,馬達負載之突入電流為穩定電流之 6 倍


●雙回路型限動開關,用途廣泛
●具堅固之一體鑄造鋁合金外殼
●高機械強度
●具耐油、防水和防壓結構
●因裝有設定位置指示板,故維護容易
●引動器種類多,方便使用
●內藏接點座有雙簧片設計,機械壽命長



