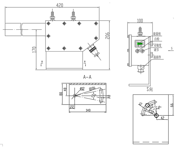
熱金屬檢測器 HMD5系列
- 外殼形式:帶吹掃、冷卻
- 工作電源:DC12V、DC24V、A110CV、A220CV;±10%額定電壓值
- 工作溫度:-25℃~+70℃;有風冷、水冷時 -25℃~+120℃
- 檢測溫度:550℃~1400℃(普通型);300℃~1400℃(低溫型)
- 檢測距離:0.2m~8m
HMD熱金屬檢測器主要用于冶金工業系統中,通過對高溫工件的檢測,判斷工件的運動位置,輸出一控制用開關信號。
它具有以下特點:
(1) 可在較惡劣的環境下工作(如高溫、潮濕、水霧,粉塵等惡劣環境中)。
(2) 可長時間連續可靠工作。
(3) 本檢測器為電源、控制器、輸出一體化,安裝方便。
靈 敏 度:順時針旋轉,由低到高;
保 護:直流輸入極性保護,電平輸出短路及過載保護;
操作角度:方位角任意調節,俯仰角±45°;
激光瞄準:根據用戶要求


| 功能 | 電源電壓 | 輸出方式 | 連接件 | |||||||||||
| 參數 | 交流 | 直流 | 延時 | 觸點 | 電平推挽輸出 | 隔離 | 輸入輸出 共一個 | 輸入輸出 各一個 | ||||||
| 110V | 220V | 12V | 24V | 0~5 秒 | 常開 | 常閉 | 12V | 24V | 適合大隔離 電壓27V | |||||
| 高 | 低 | 高 | 低 | |||||||||||
| 代號 | 1 | 2 | 3 | 4 | S | Z | A | B | C | D | G | 1 | 2 | |
| 外殼形式 | 帶冷卻、冷卻 | |||
| 工作電源 | DC12V、DC24V、A110CV、A220CV;±10%額定電壓值 | |||
| 工作溫度 | -25℃~+70℃;有風冷、水冷時 -25℃~+120℃ | |||
| 檢測溫度 | 550℃~1400℃(普通型);300℃~1400℃(低溫型) | |||
| 檢測距離 | 0.2m~8m | |||
| 指 示 燈 | 接通電源指示:綠LED亮;有信號工作指示:紅LED亮 | |||
| 輸出 形式 | 接 點(Z) | 接點容量:AC250V/5A;DC30V/5A | ||
| 電 平 | 12V | 高電平(A) | 有信號,對地高電平12V;負載電流100mA(推挽輸出) | |
| 低電平(B) | 有信號,對地低電平 0V;負載電流100mA(推挽輸出) | |||
| 24V | 高電平(C) | 有信號,對地高電平24V;負載電流100mA(推挽輸出) | ||
| 低電平(D) | 有信號,對地低電平 0V;負載電流100mA(推挽輸出) | |||
| 光隔離(G) | 適合大輸入工作電壓≤DC27V,負載電流100mA | |||
| 延 時(S) | 0~5秒 | |||
| 自 檢 | 由外部開關控制 | |||
| 視場角度 | 安裝距離1m時,視場范圍為φ170mm | |||
| 連 接 件 | 一個 | |||
| 功 耗 | ≤5W | |||
| 絕緣電阻 | ≥20MΩ(當DC500V時) | |||
| 響應時間 | 接點<20ms;電平與隔離<2ms | |||
| 靈 敏 度 | 瞬時針旋轉,由低到高 | |||
| 保 護 | 直流輸入極性保護,電平輸出短路及過載保護 | |||
| 操作角度 | 方位角任意調節,俯仰角±45°; | |||
| 激光瞄準 | 根據用戶要求,可加裝紅色激光瞄準裝置,便于安裝調整 | |||



■ 視場角度:
本檢測器在現場安裝時,可根據視場范圍,還料品種來設置距離,用目測法對準。
HMD熱金屬檢測器均有一定的視場范圍,對于任何一種HMD均應有保證被測物體移動范圍在HMD的視場內。
HMD檢測視場范圍和設置距離參照表如下圖,視場范圍如有特殊要求,可定制。

■ 光 欄:
為了使HMD能適合各種條件工作,配有四種光欄板(Φ2、Φ4、Φ8、Φ16),可用來改變視場范圍的大小。
■ 冷卻接口:
冷卻接口是用來通冷卻水的,在檢測器安裝位置周圍溫度達到70℃以上時,要進行水冷,水壓為0.3MPa。
■ 吹掃接口:
檢測器視場內水汽、煙塵時,檢測器靈敏度降低,設置時應盡量注意。為了防止這種現象,防塵筒的吹掃口應加上0.3MPa壓縮空氣。
■ 配 線:
a、從檢測器到電氣室的電纜應盡量使用屏蔽電纜。
b、檢測器到控制室連接的電纜,要在200m以內,不可過長。
c、電纜經過較高溫度區時須采取安全防護措施。
■ 電平輸出:
電平輸出采用NPN / PNP晶體管推挽輸出,如圖10所示,但同一時刻只能接一種負載。
電平輸出的負載允許有兩種形式:阻性負荷和感性負荷。能提供的適合大負載電流為100mA。

■ 接點輸出:
冷卻接口是用來通冷卻水的,在檢測器安裝位置周圍溫度達到70℃以上時,要進行水冷,水壓為0.3MPa。
接點輸出的輸出級為繼電器的接點,使用時間注意,不要讓負荷的適合大工作電流超過接點容量所允許的電流量,負荷的功率也不得超過接點容量。
接點工作有兩種方式:直流方式和交流方式。在兩種方式下對負荷的性質未能加限制,可接入阻性負荷或感性負荷,但是這兩種方式下使用上略有不同,如圖11所示,是直流方式的接線法,圖12是交流方式的接線法。
在直流方式使時,對于感性負載,應如圖10虛線所示加接續流二檢管,續流二級管選用0.5 A,三倍以上負載電壓。
在交流方式工作時,對感性負載,應如圖12中所示,加接R、C吸收電路。

