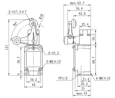
KJT47CSZK-05無線限位開關
- ■:使用470-510MHZ 2.4GHZ標準無線電頻段進行連接
- ■:免許可全局的無線電連接
- ■:通信范圍可達1000米
- ■:具堅固之一體鑄造鋁合金外殼高機械強度
- ■:具耐油、防水和防壓結構
● 無需挖溝架線,線纜、人力成本和工程周期大大縮減;
● 簡化工程設計,減少設計人員的工作量(特別是線纜走向);
● 受橋梁、河流、山川等自然地勢影響,線纜不能任意鋪設;
● 按照增加檢測點,迅速組建私有數據采集專網,擴容靈活方便;
● 故障出現時,檢測點較集中,消除以往沿線路巡查是所遇到的繁瑣事務。

| 額定電壓 | 15A 250VAC |
| 操作速度 | 1mm~2m/s |
| 操作頻率 | 機械:120 次/分 |
| 電氣:30 次/分 | |
| 接點電阻 | 15m Ω以下 |
| 絕緣電阻 | 100Ω以上(在 500VDC以下) |
| 耐電壓 | 不連續端子間:1,000VAC,50、60Hz持續一分鐘 |
| 端子和接地間:2,200VAC,50、60Hz,持續一分鐘 | |
| 端子和無載電流金屬之間:2,200VAC,50/60Hz持續一分鐘 | |
| 振動 | 動作耐久:10~55Hz,1.5mm 雙振幅 |
| 沖擊 | 機械耐久:1000m/s2以上 (約100G以上) |
| 誤動作耐久:300m/s2 以上(約30G以上) | |
| 使用周溫 | -10~+80 ℃ |
| 濕度 | 最大 95%RH |
| 使用壽命 | 機械:1,500萬次以上 電氣:50萬次以上 |
| 防護等級 | IEC:IP66 |
| 重量 | 約258g |

| 型號 | KJT47CSZK-01 | KJT47CSZK-02 KJT47CSZK-03 | KJT47CSZK-04 | KJT47CSZK-07 | KJT47CSZK-08 | KJT47CSZK-09 | KJT47CSZK-06 KJT47CSZK-66 KJT47CSZK-68 KJT47CSZK-69 | KJT47CSZK-05 |
| OF最大 | 2720g | 2720g | 1000g | 1420g | 1360g | 2720g | 150g | 1200g |
| RF最小 | 910g | 910g | 227g | 280g | 227g | 910g | - | - |
| PT最大 | 1.7mm | 1.7mm | 20° | 20° | 20° | 1.7mm | 28mm | 227g |
| OT最小 | 6.4mm | 5.6mm | 70° | 70° | 70° | 4mm | - | 55° |
| MD最大 | 1mm | 1mm | 10° | 10° | 10° | 1mm | - | 35° |
| OP | 34 ± 0.8mm | 44.8± 0.8mm | - | - | - | 44.5 ± 0.8mm | - | 90 ± 10 ° |



